【導讀】分析了MCS單片機" title="51單片機" target="_blank">51單片機訪問外部存儲器指令MOVX的執(zhí)行過程,介紹了51系列單片機使用的四要素;分析了51單片機在外部擴展、總線時序、地址譯碼方法重點以及對超過64 KB地址空間訪問的方法。并以實驗室研制的MCS51單片機實驗儀為例,分析了外部空間開展的重要性、方法和原理,給出了單片機系統(tǒng)擴展框圖和地址譯碼表。
AT89C51單片機是ATMEL公司設計生產的與MCS51內核兼容的51系列單片機之一,該系列單片機以其優(yōu)越的性能和成熟的技術在控制和自動化應用領域占有著較大的市場;除此以外,51單片機有著計算機系統(tǒng)中經典的總線結構,即:數據總線、地址總線和控制總線。
在實際應用中,單片機的4個端口中,P0口通常是作為地址/數據總線復用;P2口作為高8位地址總線,高8位地址線在有多余I/O的情況下,配合外部的組合邏輯電路一起構成外部總線譯碼使用;P3口通常作為第二功能使用,則提供給用戶使用的I/O僅僅是P1口。在多數應用場合下是不能滿足要求的,因此51單片機系統(tǒng)就或多或少地需要進行系統(tǒng)擴展。另外,由于其內部的RAM只有128 B,在使用C語言進行程序設計時顯得比較不足,必要時需進行外部RAM擴展,方法與擴展外部I/O相同。實際應用中,使用總線方法可以較容易地實現51單片機外部的I/O、RAM、LCD、ADC、DAC等等外設的操作,以彌補51單片機片內外設的不足。
1 MCS51單片機系統(tǒng)的四要素
1.1 51單片機系統(tǒng)的啟動
MCS51單片機上電正常工作,需具備以下四點:
(1)電源。AT89S51系列單片機的第40引腳為VCC,外加電壓5 V工作電壓,另外,單片機的第20引腳是GND,須連接到系統(tǒng)的地。
(2)復位電路。任何處理器都需要在上電時進行自身的復位,51單片機也不例外,上電復位電路是較為簡單可靠的電路之一,不可缺少。復位電路如圖1所示,該圖為帶上電復位及手動復位兩種結合,二極管D1在系統(tǒng)瞬間掉電能幫助系統(tǒng)快速放電,使系統(tǒng)重新復位,以提高系統(tǒng)的可靠性。

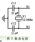
(3)振蕩電路。如圖2所示,51單片機的第18腳和第19腳為兩個外接振蕩的引腳,是內部振蕩方式的典型電路, 外接的33 pF電容可以提高振蕩的穩(wěn)定性。

(4)EA。AT89S51單片機內部有4 KB的程序存儲器,不需要外部的ROM空間,如果不夠可以選擇AT89S52或其他內部存儲器更大的單片機,所以接高電平,即:不使用外部ROM,只使用內部的存儲器。
1.2 MCS51單片機系統(tǒng)的存儲器結構
MCS51單片機的存儲器分為片內和片外兩個部分,即:內部的ROM/RAM和外部的ROM/RAM,編寫程序時必須清楚每一個存儲單元的用途和功能,這樣才能更好地進行系統(tǒng)存儲器資源的分配。51單片機的另一個特點是外部的RAM空間和I/O空間共用外部的64 KB空間,因為外部總線的地址線為16 bit,所以能夠訪問的最大地址空間為64 KB。51單片機系統(tǒng)在進行外部擴展時,所有外設的地址都分布在這64 KB的地址范圍內,對于RAM來說,地址是連續(xù)的;而對于LCD、ADC等等部件,地址是不連續(xù)的。
1.3 51單片機的中斷系統(tǒng)
AT89S51單片機為用戶提供了可屏蔽中斷源有5個,分別是:外部中斷0(入口地址為:0003H)、外部中斷1(入口地址為:000BH)、定時器0(入口地址為:0013H)、定時器1(入口地址為:001BH)和串行中斷(入口地址為:0023H);不可屏蔽中斷為復位(入口地址為:0000H)。51系列單片機的其他型號所提供的中斷個數不盡相同,所有的單片機都包括上述這6個最基本的中斷源,不同公司生產的51內核單片機中斷源上有略微的區(qū)別。
1.4 51單片機的總線結構
由于51單片機真正可以作為雙向I/O口應用的只有P1口,假設系統(tǒng)需要擴展外部的鍵盤,I/O就所剩無幾了。因此,MCS51單片機應用系統(tǒng)設計都不可避免地需要進行系統(tǒng)的擴展,而I/O的擴展則是與系統(tǒng)總線緊密結合的。由于MCS51單片機的外部RAM和I/O口是統(tǒng)一編址的,因此,可以把單片機外部64 KB RAM空間的一部分作為擴展外圍I/O口的地址空間。這樣,單片機系統(tǒng)就可以把額外的RAM空間用來進行I/O空間的擴展,使用總線方式對外設進行訪問[1]。
本文重點之一是介紹采用具有三態(tài)緩沖的74HC244芯片和輸出帶鎖存的74HC573芯片來擴展一個4×4的小鍵盤,緩沖器和鎖存器分別占用外部I/O空間中的兩個地址。而無論是訪問外部的RAM空間還是I/O空間,在進行匯編語言編程時都是通過MOVX指令來實現讀寫的。在使用C語音進行單片機程序設計時,雖然語言改變了,但是C語言程序反匯編后,訪問外部仍然使用的是MOVX指令。因此,分析過程及使用中,都是以匯編語言為例進行擴展設計的。
2 MOVX指令的執(zhí)行過程
MOVX指令是51單片機訪問片外外設的唯一指令,與外部RAM或I/O空間進行數據的讀寫或者ADC和DAC等都需要使用這條指令。MCS51單片機外部RAM的地址空間為64 KB,地址總線為16 bit,訪問外設可執(zhí)行4條匯編指令:(1)MOVX A,@DPTR;(2)MOVX @DPTR, A;(3)MOVX A, @RI; (4)MOVX @RI, A。其中DPTR為16 bit地址寄存器,地址高8 bit存于DPH,地址低8 bit存于DPL,Ri(i=0,1)是8 bit寄存器,作為地址指針時僅存低8 bit地址。
MCS51執(zhí)行上述指令時分為兩個階段:首先,是從程序存儲器中取出指令代碼,并進行譯碼;然后,執(zhí)行對外設數據的讀寫操作。在這兩個階段中,P0口在指令執(zhí)行過程中是分時復用口,指令前半個周期,低8 bit地址由地址鎖存允許信號ALE控制一個8 bit的鎖存器輸出,接著輸出8 bit數據至外部數據總線,P2口在此過程中一直輸出高8 bit地址。
由上所述,假設使用R0和R1對外設的進行間接尋址方式的訪問,那么可看作是一種頁面尋址,將外部的64 KB空間分成了256頁,每一頁有256 B地址。寄存器P2的當前值決定了當前的頁地址。MCS51單片機在復位時,P2端口寄存器數值為FFH,若程序運行中沒有改變P2中的值,則R0和R1只能對FF00H~FFFFH范圍的外部的間接尋址,即對第255個頁面進行訪問。往外部空間寫1 B時序圖如圖3所示。

因此,使用DPTR作為數據指針或者是RI,都可以實現對外部64 KB空間的訪問。而指令都是使用MOVX,可見MCS51單片機系統(tǒng)中,MOVX指令有著非常重要的作用。
3 時序分析及系統(tǒng)擴展
MCS51單片機的外部總線時序擴展主要包括外部的譯碼電路、鎖存電路等組合邏輯電路,形成整個系統(tǒng)的外部總線,即:數據總線、地址總線、控制總線。
譯碼電路采用常用的74系列3/8線譯碼器74LS138,該芯片的A、B、C分別接地址的最高3位,即A13、A14、A15,譯碼電路如圖4所示;138的使能端E3接高電平,E1和E2接的是EN_138,該信號是由單片機系統(tǒng)的讀寫信號經過組合得來的,當系統(tǒng)對外部的總線進行讀寫時,讀/寫信號其中一個為低電平,使得EN_138控制信號輸出為一個低電平脈沖信號,此時,3/8線譯碼器的輸出Y0~Y7其中一個也會輸出一個低電平脈沖,用此脈沖就可以有效地對外部設備進行片選。邏輯電路如圖5所示。


通過這樣的組合后就可以在總線上數據有效的時間內,通過74LS138的Y0~Y7控制外設的片選,實現有效的數據讀寫。尤其是在擴展外部I/O口使用的74系列的邏輯電路芯片時,這個方法尤為重要,因為這類芯片沒有外部的讀/寫信號,只能通過單片機外部的組合邏輯電路輸出一個讀/寫信號寬度的脈沖用以控制此類I/O芯片。若外設信號控制信號為低電平脈沖,則剛好與3/8線譯碼器的輸出匹配,此時直接相連即可;若外設控制信號需要的是高脈沖信號,則必須在3/8線譯碼器的輸出外面再加一級反相器電路,常用的反相器為74LS04。
以寫數據往外設為例,得到的時序流程如圖6所示。讀數據的時序與寫數據一致,只是將寫信號換成讀信號。

4 I/O擴展實例
4.1 行列鍵盤擴展
如前所述,51單片機供用戶使用的I/O只有P1端口的8個引腳,遠不能滿足系統(tǒng)的需求,這樣就必須通過總線的方法進行外部I/O擴展。在這里需要注意的是,51單片機系統(tǒng)外部I/O空間是和外部的RAM空間共用外部64 KB空間的。使用74LS573和74LS244分別進行行列的擴展,其中573鎖存行信號,244讀回數據,擴展了端口,實現了4×4的矩陣式行列掃描鍵盤,如圖7所示。在此程序略,主要介紹擴展的方法。

圖8所示為4×4矩陣鍵盤連接圖。

4.2 大于64 KB空間的擴展
MCS51單片機是8位的微控制器,外部地址總線共16 bit地址,能訪問的空間共為64 KB,但是如果系統(tǒng)中所有的外設加起來需要的地址空間超過64 KB時(如128 KB、256 KB的RAM或者需要更多的I/O空間等情況出現)就需要使用P1口或者是P3口不使用的I/O口進行線選法譯碼或者譯碼法進行額外的擴展來實現。
這種情況在單片機系統(tǒng)中經常會遇到,本文中介紹一種基于分頁原理的擴展方法。51單片機系統(tǒng)雖然只有16條地址總線,在系統(tǒng)需要較大的RAM或I/O空間時,可以將系統(tǒng)中空余的I/O口作為額外的外部地址使用,例如:使用P1.0時進行線選法譯碼時,就可以擴展外部的128 KB空間。當P1.0為低電平時,選擇第1個64 KB空間;當P1.0為高電平時, 選擇第2個64 KB空間。
以此類推,假設有更多的空間需求時,還可使用專用譯碼器進行譯碼,來進行更多的選擇
免責聲明:本文為轉載文章,轉載此文目的在于傳遞更多信息,版權歸原作者所有。本文所用視頻、圖片、文字如涉及作品版權問題,請聯系小編進行處理。
推薦閱讀:




